Micro SPS 9-30 V

zu den Bestellvarianten

Die Micro SPS ist eine Kleinststeuerung für automotive Anwendungen. Freie Konfigurier-, Parametrier- und Programmierbarkeit bieten vielfältige Einsatzmöglichkeiten im Kfz-Bereich.

Downloads
Technische Details

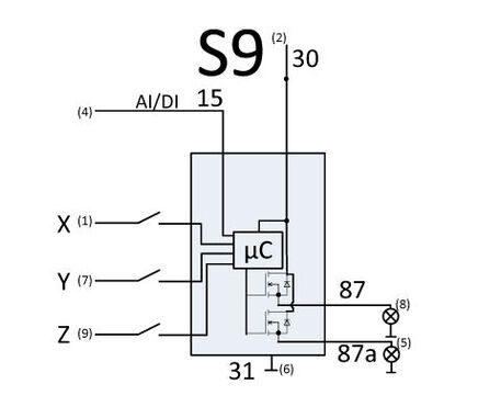
Ein- und Ausgänge

Anzahl Pins 9
Ein-/Ausgänge (gesamt) 7
Eingänge (gesamt) 4
Eingänge (analog) 1
Eingänge (digital) 3
Ausgänge (gesamt) 3
Ausgänge (digital) 3
High-Side 2
Low-Side 1
Schaltstrom 15 A bei 23°C

Mechanische Eigenschaften

Schutzklasse bis zu IP6K8
Gehäusematerial PA66GF30
Abmessungen 30 × 30 × 40 mm

Programmierung

Programmiersoftware MRS Realizer

Allgemeines

Temperaturbereich 40 bis +85°C
Betriebsspannung 9-30 V
Prozessorarchitektur 16-Bit

Kennzeichnungen

Bestellvarianten
Bestell-Nr.Bezeichnung
1.005.355.00
E1 EA1 1×442, 3 digitale 1 analoger Eingang, 1 Highside Ausgang, Typ A, Verbindung S8
1.005.365.00
E1 EA1 2×442, 3 digitale 1 analoger Eingang, 2 Highside Ausgänge, Typ A, Verbindung S9
1.005.371.00
E1 EA1 2×442, 3 digitale 1 analoger Eingang, 2 Highside Ausgänge, 1 open collector Ausgang, Typ A, Verbindung S10

Field Application Engineering / Support Team

Sie haben Fragen zu unseren MRS Produkten? Unser Field Application Engineering / Support Team unterstützt Sie gerne.

MRS Online-Shop

MRS Online-Shop Privatkunden und E-Mobility

Online-Shop

Hier finden Sie unsere frei programmierbaren Steuerungen und Relais sowie unsere robusten und zuverlässigen MCharger Ladelösungen.


Kontakt

Sie möchten mehr erfahren oder suchen ein bestimmtes Produkt?

Dann kontaktieren Sie uns gerne.

 

Kontaktformular Clear

Kontaktformular Clear