Micro SPS CAN LIN

zu den Bestellvarianten

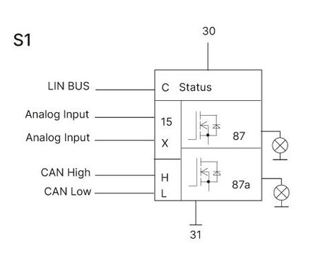
Das kompakteste Gateway von MRS Electronic ist die Micro SPS CAN LIN. Dieses Gateway ist auf Basis einer Micro SPS CAN entwickelt und aufgebaut worden. Sie bietet umfangreiche Funktionen, eingepackt in einem 30 x 30 x 40 mm kompakten Kunststoffgehäuse. Sie verfügt über 9 Pins und verfügt über jeweils eine CAN- und LIN-Schnittstelle. Das Produkt kann als LIN Slave oder als LIN Master Beschaltung ausgeliefert werden und ist perfekt für enge Einbauräume.

Downloads
Technische Details

Ein- und Ausgänge

Anzahl Pins 9
Ein-/Ausgänge (gesamt) 4
Eingänge (gesamt) 2
Eingänge (analog) 2
I/Os (gesamt) 2
I/Os (Eingänge analog) 2
I/O (Ausgänge PWM fähig) 2
Schaltstrom 400 mA

Schnittstellen

CAN-Schnittstelle(n) 1
LIN-Schnittstelle(n) 1

Mechanische Eigenschaften

Schutzklasse bis zu IP6K8
Gehäusematerial PA66GF30
Abmessungen 30 × 30 × 40 mm

Programmierung

Programmiersoftware MRS Applics Studio

Allgemeines

Temperaturbereich -40 bis +85°C
Betriebsspannung 8-16 V
Stromaufnahme 40 mA 
Ruhestrom (12V) 50 µA
Prozessorarchitektur 8-Bit

Kennzeichnungen

Bestellvarianten
Bestell-Nr.Bezeichnung
1.113.111.00
Micro SPS CAN LIN Slave
1.113.111.03
Micro SPS CAN LIN Master

Field Application Engineering / Support Team

Sie haben Fragen zu unseren MRS Produkten? Unser Field Application Engineering / Support Team unterstützt Sie gerne.

MRS Online-Shop

MRS Online-Shop Privatkunden und E-Mobility

Online-Shop

Hier finden Sie unsere frei programmierbaren Steuerungen und Relais sowie unsere robusten und zuverlässigen MCharger Ladelösungen.


Kontakt

Sie möchten mehr erfahren oder suchen ein bestimmes Produkt?

Dann kontaktieren Sie uns gerne.

 

Kontaktformular Clear

Kontaktformular Clear