Proportionalverstärker 9-30 V

zu den Bestellvarianten

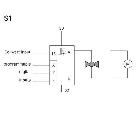
Die Proportionalventilsteuerung dient zur Durchflussmengenregelung eines Proportionalventils. Er wird für viele hydraulische Anwendungen benötigt. Durch die Mikrocontrollergesteuerte Stromregelung kann über den Sollwert 0 - 10 Volt oder 0 - 20 mA ein konstanter Ausgangsstrom eingestellt werden. Somit werden Schwankungen in der Versorgungs­spannung und Temperatur kompensiert. Hierdurch ist eine konstante Durchflussmenge gewährleistet. Um ein Festsetzen des Ventils zu vermeiden, kann eine Ditherfrequenz (überlagertes Rechteck mit geringerer Frequenz) eingestellt werden. Die Steuerung kann mit und ohne Potentiometer bestellt werden.

Downloads
Technische Details

Ein- und Ausgänge

Anzahl Pins 9
Ein-/Ausgänge (gesamt) 5
Eingänge (gesamt) 4
Eingänge (analog) 1
Eingänge (digital) 3
Ausgänge (gesamt) 1
Ausgänge (PWM-fähig, mit Stromregelung für Ventile) 1
High-Side 1

Mechanische Eigenschaften

Schutzklasse IP53
Gehäusematerial PA66GF30
Abmessungen 30 × 30 × 40 mm

Programmierung

Programmiersoftware MRS Realizer

Allgemeines

Temperaturbereich -40 bis +85°C
Betriebsspannung 9-30 V

Kennzeichnungen

Bestellvarianten
Bestell-Nr.Bezeichnung
1.030.311.00
Spannungssollwert mit Potentiometer, Typ A, Verbindung S1
1.030.310.00
Spannungssollwert ohne Potentiometer, Typ A, Verbindung S1

Field Application Engineering / Support Team

Sie haben Fragen zu unseren MRS Produkten? Unser Field Application Engineering / Support Team unterstützt Sie gerne.

MRS Online-Shop

MRS Online-Shop Privatkunden und E-Mobility

Online-Shop

Hier finden Sie unsere frei programmierbaren Steuerungen und Relais sowie unsere robusten und zuverlässigen MCharger Ladelösungen.


Kontakt

Sie möchten mehr erfahren oder suchen ein bestimmtes Produkt?

Dann kontaktieren Sie uns gerne.

 

Kontaktformular Clear

Kontaktformular Clear