Controller M1 12 V

go to order options

The M1 control with an operating voltage of 12 V is a small, powerful and cost-effective controller. In addition to the compact time relay, this compact version features a pulse relay, a step switching relay, a blinking sensor and other functions on request. The mentioned functions are stored by default and only have to be configured and parameterized. Of course, all standard functions can also be ordered preset directly from the factory.

Downloads
Technical details

Inputs and Outputs

Number of pins 5 / 6
In-/Outputs (total) 2
Inputs (total) 1
Inputs (digital) 1
Outputs (total) 1
Relay outputs 1
Switching current NO 20 A / NC 15 A

Mechanical Properties

IP rating IP53
Housing material PA66GF30
Dimensions 30 × 30 × 30 mm

Programming

Programming software MRS Realizer

General Information

Temperature range -40 to +85°C
Operating voltage 7.2-16 V
Processor architecture 16 bit

Markings

Order options
Order no.Name
1.028.101.00
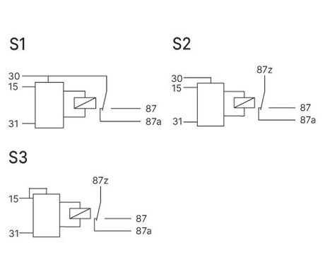
Type A, Connection S1
1.028.102.00
Type B, Connection S2
1.028.103.00
Type C, Connection S3

Field Application Engineering / Support Team

Do you have questions about our MRS products? Our Field Application Engineering / Support Team is happy to assist you.

MRS Online shop

MRS Online Shop

Online shop

Here you will find our programmable controllers and relays as well as our robust and reliable MCharger charging solutions.


Contact

Would you like to learn more or are you looking for a specific product?

Then please feel free to contact us.

 

Contact form Clear

Contact form Clear