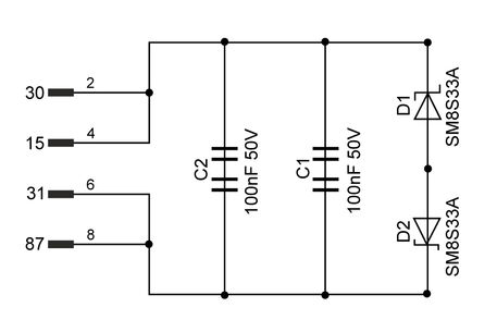
Load dump protection module

go to order options

The Load Dump protection module is used to protect against voltage peaks.

Downloads
Technical details

Mechanical Properties

IP rating IP53
Housing material PA66GF30
Dimensions 30 × 30 × 30 mm

General Information

Temperature range -40 to +85°C
Operating voltage 9-32 V
Order options
Order no.Name
1.051.300.00
Load dump protect

Field Application Engineering / Support Team

Do you have questions about our MRS products? Our Field Application Engineering / Support Team is happy to assist you.

MRS Online shop

MRS Online Shop

Online shop

Here you will find our programmable controllers and relays as well as our robust and reliable MCharger charging solutions.


Contact

Would you like to learn more or are you looking for a specific product?

Then please feel free to contact us.

 

Contact form Clear

Contact form Clear