Pulse Relay adjustable 24 V

go to order options

Pulse relays can be adjusted when consumers are to be switched on or off for a time-defined range. You can choose from five time ranges by default (see table). Within the selected time range, the pulse time can be changed via potentiometer. We realize other time ranges on request. Please specify the desired time range when ordering.

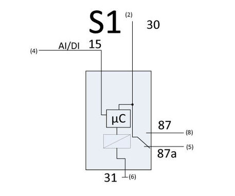
Circuit diagram S1: Operating voltage is applied to terminal 30. If the voltage is fixed briefly or permanently at Terminal 15, the relay will immediately pull on the set time and then fall off again. Circuit diagram S3: Operating voltage is applied to terminal 87z. If the voltage is short or permanent at Terminal 15, the relay will immediately pull in for the set time and then fall off again. Control and contacts are separated from each other and can thus be placed in a chain of links. All schematics: The duration of the control signal does not affect the duration of the output pulse (i.e. the relay is not retriggerable). The exact pulse length can be set with the potentiometer within the given time interval. Housing forms can be found in the section housing and basic body.

Downloads
Technical details

Inputs and Outputs

Number of pins 5
In-/Outputs (total) 2
Inputs (total) 1
Inputs (digital) 1
Outputs (total) 1
Relay outputs 1
Switching current NO 10 A / NC 5 A

Mechanical Properties

IP rating IP53
Housing material PA66GF30
Dimensions 30 × 30 × 40 mm
Switching cycles 100000

Programming

Programming software MRS Realizer

General Information

Temperature range -40 to +85°C
Operating voltage 16-32 V
Current consumption 0.3 mA 

Markings

Order options
Order no.Name
1.022.215.xx
Individual pulse time, Type A, Connection S1
1.022.215.01
Time Interval: 0,5 – 5 s, Type A, Connection S1
1.022.215.02
Time Interval: 1 – 30 seconds, Type A, Connection S1
1.022.215.03
Time Interval: 5 – 60 seconds, Type A, Connection S1
1.022.215.04
Time Interval: 30 – 900 seconds, Type A, Connection S1
1.022.215.05
Time Interval: 5 – 4000 seconds, Type A, Connection S1
1.022.214.xx
Individual pulse time, Type C, Connection S3
1.022.214.01
Time Interval: 5 – 5 seconds, Type C, Connection S3
1.022.214.02
Time Interval: 1 – 30 seconds, Type C, Connection S3
1.022.214.03
Time Interval: 5 – 60 seconds, Type C, Connection S3
1.022.214.04
Time Interval: 30 – 900 seconds, Type C, Connection S3
1.022.214.05
Time Interval: 5 – 4000 seconds, Type C, Connection S3

Field Application Engineering / Support Team

Do you have questions about our MRS products? Our Field Application Engineering / Support Team is happy to assist you.

MRS Online shop

MRS Online Shop

Online shop

Here you will find our programmable controllers and relays as well as our robust and reliable MCharger charging solutions.


Contact

Would you like to learn more or are you looking for a specific product?

Then please feel free to contact us.

 

Contact form Clear

Contact form Clear