Universal Flasher LED 24 V

go to order options

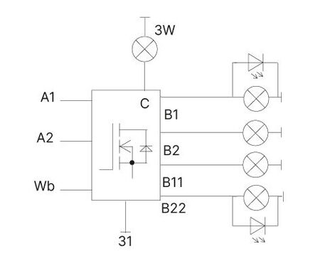
The Universal Flasher LED is suitable for LED lights and lights with incandescent lamps. This flasher unit supports left/right turn signals as well as hazard warning lights doubling flasher frequency in case of LED/lamp failure. Terminal C is the turn signal LED/lamp control output. If lights fail during flasher mode the flashing frequency on terminal C doubles (C2 function).

When the supply voltage is applied to the left or right turn signal input the unit starts flashing left or right immediately. When the supply voltage is connected to the hazard warning lights input or to the left and right turn signal inputs simultaneously the hazard warning lights function is activated. LED/lamp failure can be detected via current threshold monitoring (customconfigurable on request) for each of the 4 output channels resulting in a doubling of the flasher frequency (C2 function). However, the flashing frequency will not double while the hazard warning lights mode is active.

Downloads
Technical details

Inputs and Outputs

Number of pins 9
In-/Outputs (total) 8
Inputs (total) 3
Inputs (digital) 3
Outputs (total) 5
Outputs (digital) 5
Output type high side 4
Output type low side 1
Switching current 4 x 2 A

Mechanical Properties

IP rating IP53
Housing material PA66GF30
Dimensions 30 × 30 × 40 mm

Programming

Parameterization SW/parameters can be customized by MRS

General Information

Temperature range -40 to +85°C
Operating voltage 16-32 V
Blink frequency 90 +/-30 pulses/min
Order options
Order no.Name
1.007.210.00
Universal Flasher LED 24 V

Field Application Engineering / Support Team

Do you have questions about our MRS products? Our Field Application Engineering / Support Team is happy to assist you.

MRS Online shop

MRS Online Shop

Online shop

Here you will find our programmable controllers and relays as well as our robust and reliable MCharger charging solutions.


Contact

Would you like to learn more or are you looking for a specific product?

Then please feel free to contact us.

 

Contact form Clear

Contact form Clear