Time Relay M3 SW on Delay 12 V

go to order options

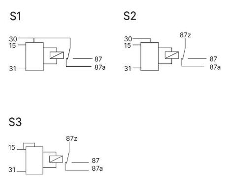
Time relay with switch on delay M3 switches on the consumer after the specified delay time has elapsed. All schematics: Operating voltage is applied to terminal 30/87z. If the voltage is set at terminal 15, the relay will pull on at the end of the specified time. If the voltage is removed at terminal 15, the relay immediately drops off.

Circuit diagram S2 and S3: The contacts are separate from the control and can therefore be used in links. With the Variants S2 and S3, the relay contact is completely potential-free and thus capable of switching alternating voltage. Housing forms can be found in the section housing and basic body.

Downloads
Technical details

Inputs and Outputs

Number of pins 5
In-/Outputs (total) 2
Inputs (total) 1
Inputs (digital) 1
Outputs (total) 1
Relay outputs 1
Switching current NO 20 A / NC 15 A

Mechanical Properties

IP rating up to IP6K8
Housing material PA66GF30
Dimensions 30 × 30 × 40 mm
Switching cycles 100000

Programming

Programming software MRS Realizer

General Information

Temperature range -40 to +85°C
Operating voltage 9-16 V
Current consumption 2 ± 1 mA 

Markings

Order options
Order no.Name
1.003.194.xx
Individual delay time (please specify when ordering), Type A, Connection S1
1.003.195.xx
Individual delay time (please specify when ordering), Type B, Connection S2
1.003.193.xx
Individual delay time (please specify when ordering), Type C, Connection S3

Field Application Engineering / Support Team

Do you have questions about our MRS products? Our Field Application Engineering / Support Team is happy to assist you.

MRS Online shop

MRS Online Shop

Online shop

Here you will find our programmable controllers and relays as well as our robust and reliable MCharger charging solutions.


Contact

Would you like to learn more or are you looking for a specific product?

Then please feel free to contact us.

 

Contact form Clear

Contact form Clear